RJ45-TB2X5
本製品は販売を終了しました。
本製品には後継機があります。
LANコネクタ(RJ-45)を丸・Y端子式の端子台に変換するユニットです。DINレール取付けとネジ取付けの両方に対応しています。部品は全て実装済みのため、はんだ付けは不要です。 3D CADデータもダウンロードいただけます。
特徴
- LANケーブルの中継や分岐が可能
- DINレール取付 / ネジ取付け両対応
- 丸端子・Y端子(M3・M3.5)に対応
- フレームグラウンド端子付き
仕様
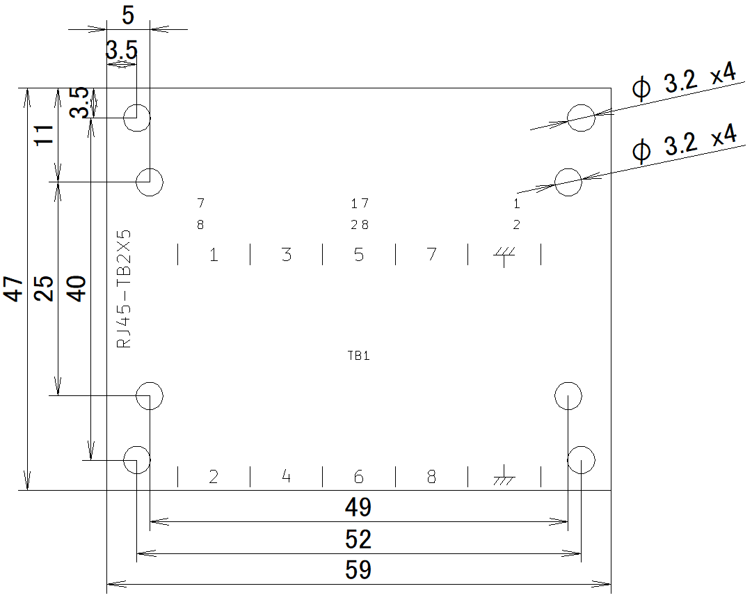
- 型番:RJ45-TB2X5
- 端子台極数:2×5(RJ-45の全8ピン+フレームグラウンド2ピン)
- 端子台ピッチ:8.5mm
- 端子台ネジ:M3
- 取付方法:35mm幅DINレール / ネジ取付け
- 外形寸法(幅×奥行×高さ)
- DINレール取付け時:59×47×38.1mm
- ネジ取付け時:59×47×24.1mm
- 定格電圧:AC/DC125V
- 定格電流:2A
販売
販売ページ(スイッチサイエンス) 販売終了
※大量注文や在庫に関する問い合わせはこちらまでご連絡ください。
内容物
- 製品本体
- DINレール取付用アタッチメント(DINレールアダプタ×2、固定用タッピングネジ×4)
- ネジ取付け用スペーサ(M3 L5mm × 4)
※付属品の色は写真と異なる場合があります。
回路図
取付方法
DINレール取付け
付属のDINレールアダプタを固定用タッピングネジを用いて画像のようにネジ止めしてください。

ネジ取付け
付属のネジ取付け用スペーサを用いて所望の板等に固定してください。各穴の位置は外形寸法図を参照してください。
※取付け用のネジは付属していません。

資料
外形寸法(上面からのみ、DXF)
ダウンロード:rj45-tb2x5_dxf.zip
3D CADデータ
- DINレール取付け
STEPファイルダウンロード:rj45-tb2x5_din_step.zip
- ネジ取付け
STEPファイルダウンロード:rj45-tb2x5_direct_step.zip